Foro de discusión, ayuda y aprendizaje de electricidad doméstica e industrial, documentación técnica, averías, cursos, normativa, software técnico, bajo consumo, reparación de electrodomésticos, instalaciones singulares de imagen y sonido..

Bienvenido a foroelectricidad.com.

Somos una comunidad de profesionales y aficionados al mundo de la electricidad.

Para participar, puedes registrarte en la comunidad y en pocos clicks podrás disfrutar de todas las características del foro. También te recomendamos que te pases por las Normas del foro, y si tienes alguna duda del funcionamiento del mismo puedes consultar el FAQ o ponerte en contacto con nosotros.

El Equipo de Foroelectricidad.com

Reglas del Foro
Nota importante:

Toda ayuda aportada por otros usuarios es meramente informativa. Por favor, si no dominas la electricidad busca la ayuda de un profesional para evitar accidentes.
 
Avatar de Usuario
Elektro
Usuario experto
Usuario experto
Mensajes: 1737
Registrado: 28 Oct 2018, 09:36
Ubicación: Otra

Re: Elevador electrico con polipasto

07 Oct 2022, 20:20

Miguel 69 escribió:
Ya me ha quedado claro que el polipasto de 3kw para subir y bajar material a un sótano es superpeligroso cambiar su instalación. Ahora cuéntame o muéstrame cómo lo harías si se diera el caso.


Que parte no has entendido de que no te voy a explicar ni enseñar nada más... Aunque si lees las respuestas que ya te he dado, podrías aprender algunas cosas, pero primero debes entenderlas....


 
Miguel 69
Usuario experto
Usuario experto
Mensajes: 984
Registrado: 11 Dic 2019, 11:57
Ubicación: Cantabria

Re: Elevador electrico con polipasto

07 Oct 2022, 20:21

Jajaja


 
coito circuito
Usuario experto
Usuario experto
Mensajes: 1802
Registrado: 25 Jul 2021, 21:04
Ubicación: A Coruña

Re: Elevador electrico con polipasto

07 Oct 2022, 20:59

> A mí me llegaron máquinas de Alemania, donde NO HAY CONTACTORES DE SEGURIDAD. Con el relé de seguridad tiran abajo el mando...y a correr
> Toda máquina que entraba en fábrica paso previo por revisión OCA: así doble garantía de seguridad, fabricante y OCA
> Caso de ventiladores que sólo traen protección mecánica por el lado de las aspas (la parte trasera accesible). Viene firmado por un ingeniero y con el visado de la delegación de industria correspondiente. Le cuentas la anomalía al fabricante y te dice QUE POR AHÍ NADIE TIENE QUE METER LA MANO
> En una ocasión hice una "máquina" para curvar policarbonato (concretamente Makrolón) Es como si fuera un libro (pero de 1 x1 m.) que lleva en el lomo 2 resistencias, con un controlador de temperatura y un soplado de aire para enfriar después de plegar. La vio la OCA y me pidió "los papeles" le dije que no era máquina, sino un UTIL de conformado. La revisaron más a fondo y me la echaron para atrás, por haber riesgo de PILLARSE LOS DEDOS DONDE ABISAGRA. (Riesgo ninguno ya que es sólo un operario quien la maneja).. ¡Coño!, dije ¿Entonces prohibimos también el alicate?


 
coito circuito
Usuario experto
Usuario experto
Mensajes: 1802
Registrado: 25 Jul 2021, 21:04
Ubicación: A Coruña

Re: Elevador electrico con polipasto

07 Oct 2022, 21:13

Respecto a falsear la sección del cable no hay problema: pocos saben distinguir un cable de 150 de uno de 185 mm2


 
Avatar de Usuario
Elektro
Usuario experto
Usuario experto
Mensajes: 1737
Registrado: 28 Oct 2018, 09:36
Ubicación: Otra

Re: Elevador electrico con polipasto

07 Oct 2022, 21:34

La seguridad de la máquina depende del análisis de riesgo que se hace al fabricarla (ese análisis nunca, o casi nunca, se entrega con la máquina, a no ser que se ponga previamente por escrito en contrato), cuando un riesgo ya no puede ser minimizado ni constructivamente, ni técnicamente, se recurre a avisos/recomendaciones en el manual de usuario, como lo que tú dices "la máquina debe ser operada por personal cualificado", "la máquina debe ser operada por un único operario por turno", etc, y si es posible claro está, la utilización de EPIS

De todas fornas no estoy seguro que fuera tu caso, si tú "maquina" fuera solo utilizada con fuerza manual, en teoría podría quedar fuera de la directiva de máquinas, y efectivamente no ser considerada como una máquina. Lo de la bisagra si no hay un motor u otra fuerza que no sea la manual, que la doble, no trae ningún peligro....

El otro tema, no sé a qué te refieres con que "tiran el mando directamente". Los relés de seguridad no dejan de ser 2 reles alimentados en paralelo y conectados en serie, por lo tanto pueden tirar abajo directamente motores pequeños con total seguridad, y el control es interno. Ya con contactores se precisa una retroalimentación que verifique que estos han abierto.
O te refieres que estos relés quitan alimentación a los módulos de salidas de los PLC estándar? (de ahí que "tiran el mando")

Tema ventilador, a nivel industrial se puede considerar que serán operados por operarios cualificados, en zonas restringidas, etc, y por lo tanto se podría llegar defender lo que ha argumentado el fabricante. De todas formas no está bien, y todo peligro que pueda ser minimizado constructivamente se debe hacer, y nosotros así lo hacemos. Ese ventilador en nuestro caso no pisaria mercado


 
Avatar de Usuario
Elektro
Usuario experto
Usuario experto
Mensajes: 1737
Registrado: 28 Oct 2018, 09:36
Ubicación: Otra

Re: Elevador electrico con polipasto

07 Oct 2022, 21:34

coito circuito escribió:
Respecto a falsear la sección del cable no hay problema: pocos saben distinguir un cable de 150 de uno de 185 mm2


Yo me refiero frente a un accidente y posterior peritaje


 
coito circuito
Usuario experto
Usuario experto
Mensajes: 1802
Registrado: 25 Jul 2021, 21:04
Ubicación: A Coruña

Re: Elevador electrico con polipasto

08 Oct 2022, 05:57

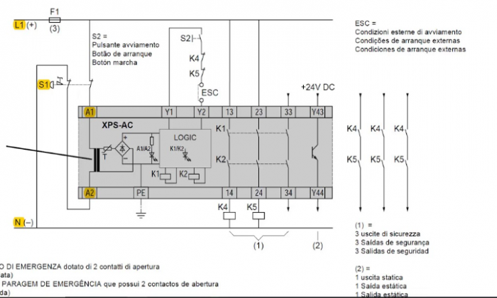
Como digo sé que hay fabricantes que lo hacen, pero el relé de seguridad siempre tiene que operar SOBRE LA FUERZA, NO SOBRE EL MANDO. El relé no opera sobre 2 contactores en paralelo, sino que cada relé interno, del propio de seguridad, comanda uno de los 2 contactores de potencia, que son quienes hacen el corte. Un contacto de cada cual es quien hace la memoria del feedback, sin la cual el relé no rearma

En caso de variadores de velocidad no se utiliza contactor de potencia, sino relé de contactos guiados ya que el corte no se hace en la fuerza, sino a nivel de los IGBT

rele de seguridad.png


 
coito circuito
Usuario experto
Usuario experto
Mensajes: 1802
Registrado: 25 Jul 2021, 21:04
Ubicación: A Coruña

Re: Elevador electrico con polipasto

08 Oct 2022, 06:34

Elektro escribió:
coito circuito escribió:
Respecto a falsear la sección del cable no hay problema: pocos saben distinguir un cable de 150 de uno de 185 mm2


Yo me refiero frente a un accidente y posterior peritaje


En el caso descrito no hay tal posibilidad, ya que la supuesta responsabilidad "se diluye". (Siempre y cuando que en plano venga que esa sección es de 185 mm2). Si fuera "muy fino" el perito (y viera que es de 150 mm2), siempre quedaría como "error de montaje" o más diluido aún como "error de suministro"(por parte de quien suministró el cable). Y a este nivel a ver quién fue el que lo suministró (para cumplir criterios de calidad interna siempre se trabaja con un mínimo de 3 proveedores y sus correspondientes presupuestos) Y a ese otro nivel a ver quién fue el que cortó el cable.
En los cables "antiguos" ni viene metraje ni sección impresa en su cubierta

Casos como el descrito no son habituales, pero al igual que en los programas informáticos siempre hay que dejar accesible "una puerta trasera"

Hablábamos en otro apartado sobre la caída de tensión en las líneas ¿De verdad son importantes? Por supuesto que sí, pero verás: resulta que entre los 220V de antaño y los 230V actuales hay 10 V, que compensan esa caída. Es más, a nivel industrial siempre se juega con los puntos de tensión del trafo (+/- 2,5 +/- 5%) Así que hay campo suficiente como para engañar a la OCA, cuando te quiere echar atrás una salida que no cumple el criterio de caída de tensión
El adaptar una fábrica "vieja" a la nueva normativa siempre es un reto. El presupuesto es el que hay y se hay que adaptar a él. Así que efugios siempre hay... (nunca vi quemar un motor por tener algo más de caída de tensión de lo que dice la normativa)


 
Avatar de Usuario
Elektro
Usuario experto
Usuario experto
Mensajes: 1737
Registrado: 28 Oct 2018, 09:36
Ubicación: Otra

Re: Elevador electrico con polipasto

08 Oct 2022, 07:25

Cuando escribo : "Los relés de seguridad no dejan de ser 2 reles alimentados en paralelo y conectados en serie," me refiero a los propios relés del relé de seguridad


Cada salida del rele de seguridad tiene contactos de ambos relés seriados, o sea no es una salida por cada relé interno (lo ves en tu esquema, contactos de K1 y K2). Y puedes con una salida comandar 2 contactores en paralelo, que seriados controlan un motor y mantener la misma seguridad que utilizando las 2 salidas, una para cada contactor, como es el caso de tu esquema (pero la instalación debe cumplir ciertos requisitos)

Y en el caso que te comenté anteriormente por ejemplo podrían actúar directamente sobre motores, por ej servomotores de 24 voltios, pero estos deben ser motores con seguridad integrada

Tema variadores es otro mundo, el fabricante te dice como conectarlos para que nivel de seguridad.
El corte a nivel de los IGBTs lo hace el variador, tú debes activar una o más entradas seguras desde un PLC de seguridad o desde un relé de seguridad, algo normal es activar SS1/SS2, frenando con rampa y pasado un tiempo, si esto no pasa entraría el STO u otra opción de seguridad, como SBO. Pero también, el variador debe tener estás opciones

Tema cable de 185 me quedo claro, es un poco lo que decía que salvo se compruebe una negligencia importante estás investigaciones pueden llevar su tiempo (en este caso fue un acto de negligencia grave, pero solo tú lo sabías, por lo tanto es muy difícil comprobar que no fue un error....)
Y en este caso dirías que fue un error y no a sabiendas, a veces es mejor hacerse el idiota, que ser un idiota ;)
De todas formas creo que uno no se libraría 100% de la responsabilidad, pero no soy juez y no lo sé


 
Avatar de Usuario
Elektro
Usuario experto
Usuario experto
Mensajes: 1737
Registrado: 28 Oct 2018, 09:36
Ubicación: Otra

Re: Elevador electrico con polipasto

08 Oct 2022, 07:27

Tema caída de tensión también está claro