Hola soy nuevo por aquí y como muchos buscando ayuda, perdonarme pero no me entero y me cuesta mucho esto de las "chispas"
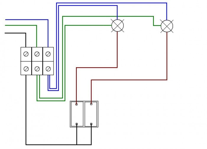
Quiero poner un interruptor doble donde tengo uno sencillo porque tengo un punto de luz y quiero sacar otro (techo de escayola...)
Me he comprado un interruptor doble y he dejado montada la luz que tenia funcionando en uno de los interruptores. A la caja del interruptor solo me llegan dos cables uno negro y otro marrón.
Ya tengo montado el nuevo punto de luz y los dos cables tirado hasta la caja del interruptor.
Aquí esta el lio, no se que tengo que hacer para que luzca la luz nueva.
El interruptor doble tiene dos puntos de enganche con dos agujeros cada uno para cara interruptor/pletina, cada pletina tiene un punto con dos agujeros y el pulsador para meter el cable es rojo. No se si me he explicado bien si puedo, subo una foto del interruptor doble tal cual le tenia con un único punto de luz enganchado
http://subefotos.com/ver/?2e8438d81b621 ... f5670o.jpg
Por favor!, alguien me puede ayudar a ver si soy capaz de entenderlo y solucionarlo. Gracias!!!!





