Foro de discusión, ayuda y aprendizaje de electricidad doméstica e industrial, documentación técnica, averías, cursos, normativa, software técnico, bajo consumo, reparación de electrodomésticos, instalaciones singulares de imagen y sonido..

Bienvenido a foroelectricidad.com.

Somos una comunidad de profesionales y aficionados al mundo de la electricidad.

Para participar, puedes registrarte en la comunidad y en pocos clicks podrás disfrutar de todas las características del foro. También te recomendamos que te pases por las Normas del foro, y si tienes alguna duda del funcionamiento del mismo puedes consultar el FAQ o ponerte en contacto con nosotros.

El Equipo de Foroelectricidad.com

Reglas del Foro
Nota importante:

Toda ayuda aportada por otros usuarios es meramente informativa. Por favor, si no dominas la electricidad busca la ayuda de un profesional para evitar accidentes.
 
silve69
Usuario novato
Usuario novato
Autor del tema
Mensajes: 4
Registrado: 12 Mar 2013, 07:45
Ubicación: Otra

2 bombillas con 2 interruptores, pero que encienda solo una

12 Mar 2013, 07:52

Hola amigos,
Para un concurso de habilidades que queremos hacer en la oficina necesito un pequeño diagrama eléctrico o al menos la explicación de cómo hacerlo.
Sobre una mesa habrá un interruptor y una bombilla para cada concursante (2 personas), se hace una pregunta y quien primero presione el interruptor se encenderá su bombilla... entonces será quien responda la primera pregunta... el problema es que cuando alguien presione su interruptor se debe cortar el circuito del otro, para que sólo pueda encenderse una bombilla a la vez.
¿Alguna idea? ...y disculpen si es una pregunta muy básica ;)
Saludos y gracias!!
Silver


 
Rookie
Usuario novato
Usuario novato
Mensajes: 71
Registrado: 29 Mar 2011, 19:44

Re: 2 bombillas con 2 interruptores, pero que encienda solo

12 Mar 2013, 10:07

Eso mismo lo hice yo en el instituto cuando estudiaba electricidad. Necesitas un temporizador, pulsadores de "seta", contactores y contactos auxiliares...


 
Josafar
Usuario novato
Usuario novato
Mensajes: 8
Registrado: 12 Mar 2013, 15:25
Ubicación: Asturias

Re: 2 bombillas con 2 interruptores, pero que encienda solo

12 Mar 2013, 15:43

Tal y como yo lo veo seria asi.

Necesitarias 2 pulsadores seta con un contacto Normalmente abierto y desenclavamiento por giro
(cuando lo pulsas queda pulsado hasta que los giras). Por ejemplo referencia de telemecanique
ZB4BS54 + ZB4BZ101 (el primero es el mando y el segundo el cuerpo con el contacto NA, se necesitan ambos)
http://us.100y.com.tw/product_jpg_original/A018494.jpg

Para saber quien da primero yo pondria dos reles de 230 vca (si no estas con bombillas de 230 vca si no de otra tension la tension del rele debera de ser esa misma de la bombilla), con la bobina en paralelo con la bombilla y un contacto normalmente cerrado colocado a continuacion de la seta contraria.
Rele de bobina 230 vca- RELECO C10A10230vca y su Base S10-M
http://www.releco-comat.net/es/Reles-IRC/C10-A1x_es.pdf
http://www.releco-comat.net/es/Reles-IRC/S10-M_es.pdf

y como bombilla emplearia una pequeña bombilla tubular de poca potencia (de entre 5 y 25 W segun como quieras de fuerte que alumbre) y 230vca con su correspondiente portalamparas (esto mejor preguntas en el almacen donde compres porque hay muchos tipos)

Intento explicarme
Jugador 1
Seta 1 con contacto NA --- Contacto NC rele 2 (entradas en la base 2(11) y 3(12)) ---- Bombilla 1 y en paraleto bobina del rele 1 (Entradas en la base 4(A1) y 5(A2))

Jugador 2
Seta 2 con contacto NA --- Contacto NC rele 1 ---- Bombilla 2 y en paraleto bobina del rele 2

De esta manera el primer jugador que de a su seta y encienda la luz activara el rele y bloqueara la señal de la seta rival al activarse el contacto normalmente cerrado del rele.

Todo este material puedes encontrarlo en cualquier almacen electrico, por ejemplo aqui en asturias en Dimelsa, Metalux etc..


 
silve69
Usuario novato
Usuario novato
Autor del tema
Mensajes: 4
Registrado: 12 Mar 2013, 07:45
Ubicación: Otra

Re: 2 bombillas con 2 interruptores, pero que encienda solo

12 Mar 2013, 20:42

Gracias amigos!!! Yo estoy en México y la verdad no sé mucho de electricidad... creo que me va a tocar encargarle el trabajo a un electricista... imagino que los nombres de los componentes sean los mismos en todos lugares, de todas maneras al rato voy a pasar a alguna tienda de materiales eléctricos para ver si tienen esos componentes.
Alguien tendrá un diagramita para que me sea más fácil pedir los componentes????
Gracias de nuevo por su tiempo.


 
jacinto
Usuario novato
Usuario novato
Mensajes: 59
Registrado: 04 Jun 2012, 15:56
Ubicación: Asturias

Re: 2 bombillas con 2 interruptores, pero que encienda solo

13 Mar 2013, 13:50

Josafar pon un esquema que tengo curiosidad por esto, soy electricista pero quiero ver como lo harias. Cualquier otro forero tambien podia opinar de este tema pero poner un esquema, gracias.


 
Avatar de Usuario
muyperezoso

Re: 2 bombillas con 2 interruptores, pero que encienda solo

13 Mar 2013, 15:22

hice un circuitillo con elpaint, pero no me deja subirlo. es un rele con dos circuitos, NA+NC, el NA alimenta la bombilla y encalva el rele. los NC se conectan en serie y alimentan los pulsadores. cadapulsador activa cada rele crrespondiente, de talmanera quese pueden poner 2 bombillas o 200.


 
silve69
Usuario novato
Usuario novato
Autor del tema
Mensajes: 4
Registrado: 12 Mar 2013, 07:45
Ubicación: Otra

Re: 2 bombillas con 2 interruptores, pero que encienda solo

13 Mar 2013, 16:30

Este circuito lo encontré en otra página, pero no sé si sea correcto...
Saludos!!
Adjuntos
circuito.jpg


 
Avatar de Usuario
muyperezoso

Re: 2 bombillas con 2 interruptores, pero que encienda solo

13 Mar 2013, 21:18

pruebalo, parece que si


 
jacinto
Usuario novato
Usuario novato
Mensajes: 59
Registrado: 04 Jun 2012, 15:56
Ubicación: Asturias

Re: 2 bombillas con 2 interruptores, pero que encienda solo

14 Mar 2013, 13:09

si, parece que esta bien, un poco lioso el circuito pero válido ;)


 
Josafar
Usuario novato
Usuario novato
Mensajes: 8
Registrado: 12 Mar 2013, 15:25
Ubicación: Asturias

Re: 2 bombillas con 2 interruptores, pero que encienda solo

20 Mar 2013, 10:09

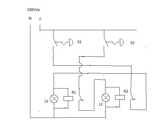
El circuito esta bien usando pulsadores normales ,yo lo habia planteado usando pulsadores seta que quedan enclavados por lo que ahorrarias el pulsador de reset y la realimentacion a traves del rele a la propia bombilla.

Circuito Concurso.png
Circuito Concurso.png (10.89 KiB) Visto 9303 veces


Esto es lo que yo decia, se que esta dibujado poco elegante pero es que no tengo el autocad en este ordenador y el paint es muy engorroso.

La secuencia es la siguiente, accionas seta 1 (si el rele 2 no esta activado) la corriente llega a la lampara 1 y al rele 1 , la lampara ilumina y el rele se excita abriendo el contacto e impidiendo que se encienda la luz L2 y el rele R2 aunque se accione la seta S2, esto permanecera asi mientras la seta este enclavada (el pulsador queda metido hasta que lo giras para que vuelva a su posicion de reposo). una ved que desenclavas ambas setas vuelves a la posicion de partida.

Lo mismo si accionas primero S2...

Perdon por el retraso en contestar, pero es que olvide la contraseña :P