Foro de discusión, ayuda y aprendizaje de electricidad doméstica e industrial, documentación técnica, averías, cursos, normativa, software técnico, bajo consumo, reparación de electrodomésticos, instalaciones singulares de imagen y sonido..

Bienvenido a foroelectricidad.com.

Somos una comunidad de profesionales y aficionados al mundo de la electricidad.

Para participar, puedes registrarte en la comunidad y en pocos clicks podrás disfrutar de todas las características del foro. También te recomendamos que te pases por las Normas del foro, y si tienes alguna duda del funcionamiento del mismo puedes consultar el FAQ o ponerte en contacto con nosotros.

El Equipo de Foroelectricidad.com

 
Miguel 69
Usuario experto
Usuario experto
Mensajes: 984
Registrado: 11 Dic 2019, 11:57
Ubicación: Cantabria

Re: COMPRESOR EN ESTRELLA TRIANGULO CON RED 220

09 Oct 2022, 09:13

Sí, tremenda locura y disparate he dicho.
Si la tensión de suministro es 3x400/690, el motor conectado en estrella jamás se quemará por este motivo y su potenci estaría reducida en 1/3.
Si la tensión de suministro es 3x230/400, que entiendo que es la tensión que tiene Rick80, el motor conectado en estrella jamás se quemará por este motivo pero dudo mucho que le pueda arrancar en carga porque su potencia se ha visto reducida en 1/9.


 
Avatar de Usuario
Elektro
Usuario experto
Usuario experto
Mensajes: 1737
Registrado: 28 Oct 2018, 09:36
Ubicación: Otra

Re: COMPRESOR EN ESTRELLA TRIANGULO CON RED 220

09 Oct 2022, 09:24

Miguel 69 escribió:
Sí, tremenda locura y disparate he dicho.
Si la tensión de suministro es 3x400/690, el motor conectado en estrella jamás se quemará por este motivo y su potenci estaría reducida en 1/3.
Si la tensión de suministro es 3x230/400, que entiendo que es la tensión que tiene Rick80, el motor conectado en estrella jamás se quemará por este motivo pero dudo mucho que le pueda arrancar en carga porque su potencia se ha visto reducida en 1/9.


:shock: ???????
Me he quedado sin palabras.....


 
coito circuito
Usuario experto
Usuario experto
Mensajes: 1802
Registrado: 25 Jul 2021, 21:04
Ubicación: A Coruña

Re: COMPRESOR EN ESTRELLA TRIANGULO CON RED 220

09 Oct 2022, 15:01

Miguel 69 escribió:
Sí, tremenda locura y disparate he dicho.
Si la tensión de suministro es 3x400/690, el motor conectado en estrella jamás se quemará por este motivo y su potenci estaría reducida en 1/3.
Si la tensión de suministro es 3x230/400, que entiendo que es la tensión que tiene Rick80, el motor conectado en estrella jamás se quemará por este motivo pero dudo mucho que le pueda arrancar en carga porque su potencia se ha visto reducida en 1/9.


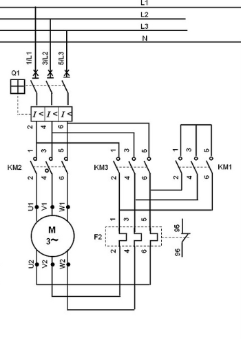
Hola, Miguel

Vamos a ver, no te líes que aquí nadie habló de los 220 V, sino de esto
motor 400 v.png
motor 400 v.png (4.59 KiB) Visto 6919 veces

La cuestión está en dilucidar si un motor de 400/690 V conectado en estrella, a una tensión de 400 V puede llegar a quemar al meterle su carga nominal. Para que lo entiendas mejor: imagínate una soplante (como una bomba centrifuga, pero a lo bruto) conectado en estrella triángulo, red de 400 V que por una avería del temporizador no hace la transición a triángulo, quedando por tanto conectado en estrella. Te aporto el dato de que, en ese supuesto, el térmico está en la rama del triángulo, es decir, que en esquema adjunto estaría los 2,4,6 del KM1 en los homónimos del F2
No creas que te estoy hablando de un supuesto raro: si ves por ahí esquemas de AGUT (un fabricante de aparellaje ya desaparecido) esa era la opción recomendada para ese tipo de máquinas
Habrás leído un anterior comentario en el que he dicho que los arranques estrella triangulo son de ARRANQUE VIGILADO (por eso no tienen cabida en el mundo actual, por muy económicos que, supuestamente, parecen ser)
ET.png
ET.png (50.38 KiB) Visto 6919 veces


Saludos


 
Miguel 69
Usuario experto
Usuario experto
Mensajes: 984
Registrado: 11 Dic 2019, 11:57
Ubicación: Cantabria

Re: COMPRESOR EN ESTRELLA TRIANGULO CON RED 220

09 Oct 2022, 15:18

Tienes razón.


 
coito circuito
Usuario experto
Usuario experto
Mensajes: 1802
Registrado: 25 Jul 2021, 21:04
Ubicación: A Coruña

Re: COMPRESOR EN ESTRELLA TRIANGULO CON RED 220

09 Oct 2022, 16:50

Miguel 69 escribió:
Tienes razón.


En una ocasión me pasó un caso de este tipo, en un compresor de aire de instrumentación (el aire para la instrumentación neumática es un circuito independiente del aire de proceso, ya que, aparte del secado por adsorción (esferas) y posterior enfriamiento, se le pasa por filtros coalescentes de  0,01 µm . Este tipo de instrumentación está en vías de desaparición), el cual estaba funcionando (o sea tenía ruido) pero no subía la presión. Lo miro y veo que humea como el aceite hirviendo. Reviso y veo que no hizo la transición ya que estaba jodido el temporizador. Lo cambio y arranca perfectamente, con consumos equilibrados, sin haber sufrido daño aparente

Esto fue debido a que el equipo era de una instalación antideflagrante, cuyos aislamientos están por encima de 180ºC y las cabezas del bobinado van embebidas en resina . Los motores “normales” solo van barnizados; los “buenos” llevan una segunda capa de barniz en las cabezas y los “mejores” la resina citada (esto es un problema a la hora de rebobinar pues “no la quita ni su madre”

Un motor “normal”, en ese caso, hubiera quemado irremediablemente (a no ser que tuviera sondas térmicas) Mejor dicho si las sondas térmicas estuvieran cableadas (necesitan un relé específico) ya que muchos motores las incorporan, pero se pasa de ellas (cualquier motor lo puedes pedir a fábrica que venga con ellas, ya que estas se ponen durante el proceso de bobinado, no posteriormente)

Si te preguntas si cableando este tipo de sonda se puede prescindir del relé térmico decirte que no, ya que esta es protección extrínseca y la que proporciona el térmico es intrínseca (relacionándolo con el paso de corriente)

Eso sí podrás encontrarte equipos que traigan cableadas las sondas y no relé térmico, pues en esta vida "hay de todo"

Saludos


 
Avatar de Usuario
Motorhead
Usuario habitual
Usuario habitual
Mensajes: 208
Registrado: 27 Dic 2014, 20:59
Ubicación: Asturias

Re: COMPRESOR EN ESTRELLA TRIANGULO CON RED 220

10 Oct 2022, 13:42

Hola
Una duda que me ha surgido.
Ese aire para instrumentación, me imagino que se buscará que esté libre 100% de aceite, de ahí que esté independiente del resto del proceso.
Digámoslo así, es un aire "fino" para procesos "finos", como el que se necesita en medicina, en procesos de la industria alimentaria o en el montaje de chismes electrónicos.
Vamos, que no es un aire "grueso" como el que puede usar una pistola neumática.
Perdón si no empleo términos técnicos correctos. Es para que yo lo pueda entender ;)
Saludos


 
coito circuito
Usuario experto
Usuario experto
Mensajes: 1802
Registrado: 25 Jul 2021, 21:04
Ubicación: A Coruña

Re: COMPRESOR EN ESTRELLA TRIANGULO CON RED 220

10 Oct 2022, 14:53

Motorhead escribió:
Hola
Una duda que me ha surgido.
Ese aire para instrumentación, me imagino que se buscará que esté libre 100% de aceite, de ahí que esté independiente del resto del proceso.
Digámoslo así, es un aire "fino" para procesos "finos", como el que se necesita en medicina, en procesos de la industria alimentaria o en el montaje de chismes electrónicos.
Vamos, que no es un aire "grueso" como el que puede usar una pistola neumática.
Perdón si no empleo términos técnicos correctos. Es para que yo lo pueda entender ;)
Saludos


Hola
Como le decía Jekill a Hyde (o viceversa) "vayamos por partes"...
> Desde hace años los compresores de pistón dejaron paso a los compresores "de tornillo" los cuales comprimen el aire mezclado con aceite, que luego se separa
tornillo.png


> La humedad la podemos quitar con secadores de adsorción (es un proceso diferente a la absorción)
secador.png
secador.png (134.86 KiB) Visto 6882 veces


> Todo ello lo pasamos por filtros coalescentes, que eliminan el agua y los sólidos que se hayan podido escapar del aceite
filtros.png
filtros.png (14.29 KiB) Visto 6882 veces

> Es importante que a la instrumentación neumática no llegue nada de agua. Como por el discurrir de las tuberías se va a condensar hay que instalar "trampas" antes de llegar al elemento de proceso
Al final toda la regulación neumática se basa en el sistema "paleta orificio" es decir una tobera que regulamos con una paleta. Si hay agua en el aire por la tobera no pasa. Vamos, mas o menos como cuando deja de funcionar la impresora, aún teniendo tinta el cartucho
> Los compresores de aire medicinal son de membrana o de paletas: están completamente exentos de aceite
> Los equipos neumáticos convencionales (la pistola que citas) necesitan que el aire tenga aceite. Para ello se pone un lubricador en la acometida del aire

Saludos


 
Avatar de Usuario
Motorhead
Usuario habitual
Usuario habitual
Mensajes: 208
Registrado: 27 Dic 2014, 20:59
Ubicación: Asturias

Re: COMPRESOR EN ESTRELLA TRIANGULO CON RED 220

10 Oct 2022, 15:24

Hola
Gracias por una repuesta tan detallada. Ya lo tengo más claro.
Saludos