Foro de discusión, ayuda y aprendizaje de electricidad doméstica e industrial, documentación técnica, averías, cursos, normativa, software técnico, bajo consumo, reparación de electrodomésticos, instalaciones singulares de imagen y sonido..

Bienvenido a foroelectricidad.com.

Somos una comunidad de profesionales y aficionados al mundo de la electricidad.

Para participar, puedes registrarte en la comunidad y en pocos clicks podrás disfrutar de todas las características del foro. También te recomendamos que te pases por las Normas del foro, y si tienes alguna duda del funcionamiento del mismo puedes consultar el FAQ o ponerte en contacto con nosotros.

El Equipo de Foroelectricidad.com

  • 1
  • 3
  • 4
  • 5
  • 6
  • 7
  • 10
 
Avatar de Usuario
muyperezoso

Re: inversor de giro de un motor trifasico

06 Mar 2015, 22:38

Hefner escribió:
No sé si ya estás trabajando, o aún sigues en el paro, pero como te dije en la otra ocasión que "llegamos a las manos" con esa actitud tuya, de creer que "sabes más que los jefes" no llegarás muy lejos: te falta seriedad y sobre todo humildad. De la falta de conocimiento no te hablo porque es obvio que andas más corto que de dinero los bancos de Grecia...

Un saludo


nose ni para que me molesto, "finflis" es delicado, de mantequilla, aquellos contactos auxiliares que de 5A NA junto con los contactos principales de 40A de cualquier contactor. De lo demás paso, tu siempre a tu ritmo.


 
Avatar de Usuario
Hefner
Usuario experto
Usuario experto
Mensajes: 5501
Registrado: 10 Mar 2012, 03:46

Re: inversor de giro de un motor trifasico

06 Mar 2015, 23:44

nose ni para que me molesto, "finflis" es delicado, de mantequilla, aquellos contactos auxiliares que de 5A NA junto con los contactos principales de 40A de cualquier contactor. De lo demás paso, tu siempre a tu ritmo.


Dice el refrán que "el movimiento se demuestra andando". Ese "finflis" que tu dices resulta que aguanta lo siguiente

> 690 V
> 10 A
> 100 A durante un segundo
> 30 millones de maniobras !!!!

¿Quedaste contento? ¿O quieres que te meta otro varapalo?
Adjuntos
bloque.png


 
Avatar de Usuario
Hefner
Usuario experto
Usuario experto
Mensajes: 5501
Registrado: 10 Mar 2012, 03:46

Re: inversor de giro de un motor trifasico

07 Mar 2015, 08:52

(la verdad que poner un semiconductor en un cuadro eléctrico lo veo cuanto menos añadir averías, no soportan bien los Dv/Dt, o lo que es lo mismo incrementos bestiales de tensión en una mínima unidad de tiempo, típicos de motores, reactancias o bobinas sin su filtro RC


Para que sigas diciendo pijadas...

Estas bornas las solemos poner para que hagan bonito en los cuadros. No les
damos mayor aplicación porque "se joden"...

Un saludo
Adjuntos
borna.jpg
borna.jpg (42.93 KiB) Visto 2622 veces


 
Avatar de Usuario
muyperezoso

Re: inversor de giro de un motor trifasico

07 Mar 2015, 10:38

Pero que cojones, poner eso en cuadro de pruebalamparas sin proteccion de picos y con la misma tension en maniobra que en la fuerza eso no dura mas de un año y luego pon al tecnico de turno a localizar que los contactores se vuelven locos, por un diodo cortocircuitado.

De los visitan, participan en este foro, a ver si alguno a visto eso en un cuadro...

Hablar contigo es como lavar la cabeza a un burro, es perder tiempo, dinero y jabon. Doy esto por zanjado


 
Avatar de Usuario
Hefner
Usuario experto
Usuario experto
Mensajes: 5501
Registrado: 10 Mar 2012, 03:46

Re: inversor de giro de un motor trifasico

07 Mar 2015, 13:11

Pero que cojones, poner eso en cuadro de pruebalamparas sin proteccion de picos y con la misma tension en maniobra que en la fuerza eso no dura mas de un año y luego pon al tecnico de turno a localizar que los contactores se vuelven locos, por un diodo cortocircuitado.


¡Seguro que sí, por que tú lo digas! ¿Cómo puede uno ser tan cerril de negar la evidencia?
Échale un vistazo a las características del diodo 1N4004, que son los que traen bornas como esas. Y si quieres
mejores prestaciones el 1N4007. Te adjunto la ficha técnica

Los contactores "no se vuelven locos" por la sencilla razón que el diodo no forma parte de su circuito de maniobra
El técnico de turno, en el hipotético caso de que se joda un diodo, lo localiza echando hostias: o bien no se enciende
la lámpara "a media luz" al pulsar el prueba lámparas o se encienden todas las del cuadro (a tensión reducida) si se
pone en cortocircuito el diodo. Como ves hasta el operario de la máquina se da cuenta de ello

De los visitan, participan en este foro, a ver si alguno a visto eso en un cuadro...

Ya hubo uno que te dijo "haberlo visto", en este mismo post, pero tú erre que erre...

Hablar contigo es como lavar la cabeza a un burro, es perder tiempo, dinero y jabon. Doy esto por zanjado


Yo de onagros no entiendo mucho: no se si se les lava la cabeza en la peluquería, o si se aprovecha que saquen la cabeza
en el túnel de lavado. Tú sabrás que, por lo que se deduce, fuiste a su misma escuela...

En cuanto a "dar por concluido el tema" es el recurso de los malos boxeadores cuando están "grogui": suelen tirar la toalla,
cosa que no les deja en buen lugar. Los aficionados suelen definirlo como "tongo". Mejor reconocer que no se tiene conocimientos
sobre el tema por lo cual uno no está capacitado para debatir. Por supuesto que yo seguiré dando mas luz a las tinieblas que tú
has tratado de crear, con la documentación clarificadora que tú pones en entredicho...

Un saludo


 
Avatar de Usuario
Hefner
Usuario experto
Usuario experto
Mensajes: 5501
Registrado: 10 Mar 2012, 03:46

Re: inversor de giro de un motor trifasico

07 Mar 2015, 13:20

...De momento vete echándole una ojeada a esto:

Un saludo
Adjuntos
retraso.png


 
Avatar de Usuario
Hefner
Usuario experto
Usuario experto
Mensajes: 5501
Registrado: 10 Mar 2012, 03:46

Re: inversor de giro de un motor trifasico

07 Mar 2015, 17:30

¡Jó, tú, mira que prueba lámparas mas guapo "dibujé" para corriente continua!
Adjuntos
corriente contínua.png
corriente contínua.png (62.5 KiB) Visto 2586 veces
Última edición por Hefner el 07 Mar 2015, 17:43, editado 1 vez en total.


 
Avatar de Usuario
Hefner
Usuario experto
Usuario experto
Mensajes: 5501
Registrado: 10 Mar 2012, 03:46

Re: inversor de giro de un motor trifasico

07 Mar 2015, 17:41

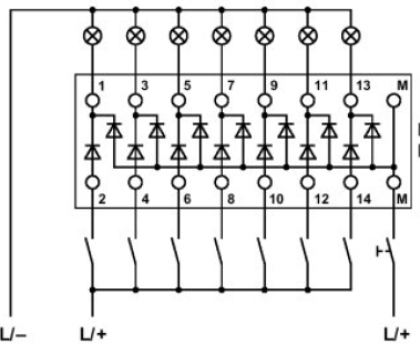
¡Ondia, menudo array para prueba lámparas en AC!
Adjuntos
array.png
array.png (141.32 KiB) Visto 2586 veces


 
Avatar de Usuario
Hefner
Usuario experto
Usuario experto
Mensajes: 5501
Registrado: 10 Mar 2012, 03:46

Re: inversor de giro de un motor trifasico

07 Mar 2015, 17:42

Por supuesto con sus características
Adjuntos
jatetu.png
jatetu.png (12.75 KiB) Visto 2586 veces


 
Avatar de Usuario
Hefner
Usuario experto
Usuario experto
Mensajes: 5501
Registrado: 10 Mar 2012, 03:46

Re: inversor de giro de un motor trifasico

07 Mar 2015, 17:57

Seguimos con el varapalo...
Adjuntos
diodo.png
diodo.png (374.33 KiB) Visto 2585 veces


  • 1
  • 3
  • 4
  • 5
  • 6
  • 7
  • 10