01 Mar 2019, 22:39
			
			
			
			[font=Times New Roman, serif]Hola : Primera recomendación . Si no tienes unos[/font] 
[font=Times New Roman, serif]conocimientos básicos de electricidad ni las herramientas[/font]
[font=Times New Roman, serif]ni materiales adecuados te recomiendo encarecidamente[/font]
[font=Times New Roman, serif]que acudas a un profesional para que modifique[/font]
[font=Times New Roman, serif]el funcionamiento del motor con garantías[/font]
[font=Times New Roman, serif] [/font]
[font=Times New Roman, serif]Bizerba es una muy buena marca de maquinas para[/font]
[font=Times New Roman, serif]la alimentación , seguramente aparte del motor[/font]
[font=Times New Roman, serif]habrá que modificar la maniobra , esto es por que suelen[/font]
[font=Times New Roman, serif]ser con pulsadores y una tensión de 24 v[/font]
[font=Times New Roman, serif]Esto habrá que dejarlo como esta , y que no coincida qon[/font]
[font=Times New Roman, serif] a fase que se elimine[/font]
[font=Times New Roman, serif] [/font]
[font=Times New Roman, serif]En cuanto a la forma mas facil que suele se el condensador[/font]
[font=Times New Roman, serif]decirte que se suele proponer un condensador[/font]
[font=Times New Roman, serif]de 70 micro faradios por cada 1000w[/font]
[font=Times New Roman, serif]Osea que en tú caso tenemos un motor que consume 2.5 amperios[/font]
[font=Times New Roman, serif]a 230 v , eso son  845 watios , siendo asi y haciendo[/font]
[font=Times New Roman, serif] una regla de tres tendríamos que poner un condensador[/font]
[font=Times New Roman, serif]de unos 59 Microfaradios[/font]
[font=Times New Roman, serif]Pero por experiencia te dire que en talleres de electricidad,[/font]
[font=Times New Roman, serif]maquinas y bobinados se suele probar con[/font]
[font=Times New Roman, serif]varios condensadores y dejar el que mas rendimiento[/font]
[font=Times New Roman, serif]de al funcionamiento del motor , y como te comente[/font]
[font=Times New Roman, serif]no siempre el resultado es optimo en este tipo de motores[/font]
[font=Times New Roman, serif] [/font]
[font=Times New Roman, serif]Si quieres que el motor funcione igual que si lo hiciese[/font]
[font=Times New Roman, serif] a tres fases con mas garantias te recomiendo[/font]
[font=Times New Roman, serif]un variador , entrada dos fases o fase y neutro y salida[/font]
[font=Times New Roman, serif] tres fases al motor . mas costoso pero la[/font]
[font=Times New Roman, serif]maquina se lo merece[/font]
[font=Times New Roman, serif] [/font]
[font=Times New Roman, serif]En cualquier caso un buen técnico es lo mejor[/font]
 
							
					- 
						Adjuntos
					
- 
	
		
				
			 
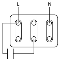
- trigangulo con condensador.jpg (9.15 KiB) Visto 7390 veces
 
- 
	
		
				
			 
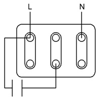
- altivar TEE.jpg (6.55 KiB) Visto 7390 veces