Os cuento mi caso a ver si me podéis ayudar.
He cambiado los enchufes e interruptores de la casa pero en el garaje tengo una duda.
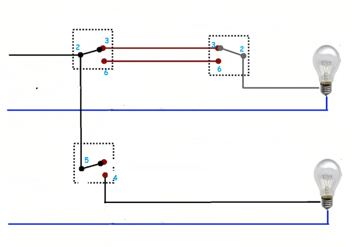
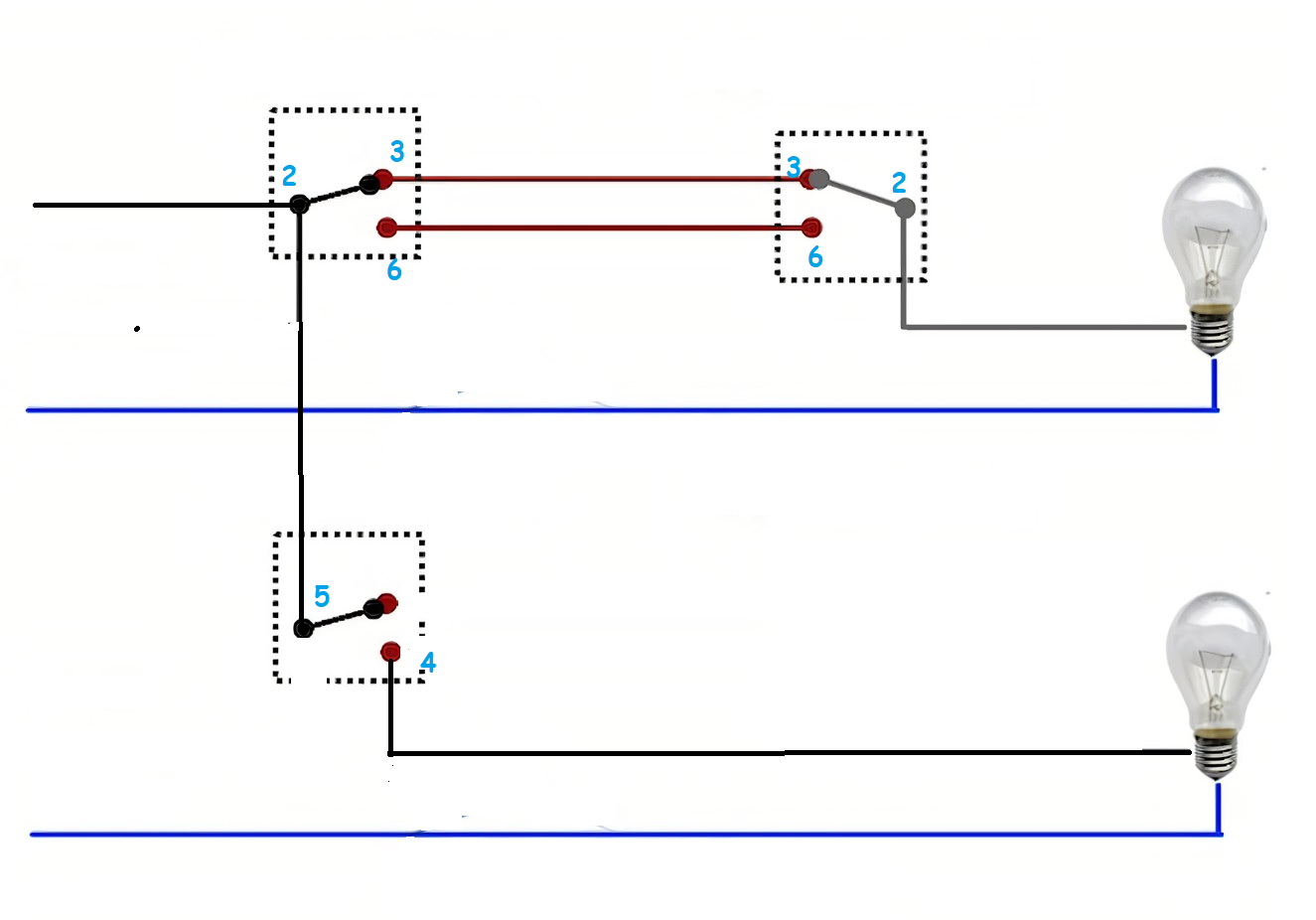
Tengo 2 luces que se encienden mediante un conmutador doble.
Al fondo del garaje tengo un interruptor que también apaga y enciende una de ellas
Y del mismo Conmutado inicial sale un cable hacia el interruptor de otra sala
La duda es como debería conectar los cables en el mecanismo
En el Conmutado doble tengo los siguientes cables.
-2 cables marrones
-1 cable gris
-1 cable negro
-1 cable negro que va desde este hasta el interruptor de la otra sala
En el interruptor del fondo del garaje tengo
-2 cables marrones
-1 cable gris
Las 2 luces tienen:
-2 cables grises (1 hacia cada luz)
-1 cable azul hacia una luz y de esta otro azul que une la otra luz
Como debería de hacer la instalación?
Dispositivos
Conmutador doble
Entradas cables: Huecos 2 y 5
Salidas cables: Huecos 1,3,4 y 6
Interruptor individual
Entrada cable: Hueco 2
Salidas cables: Huecos 3 y 6


PD: Fallo mio al no hacer una foto a la forma en la que estaban instalados los cables en el mecanismo a cambiar.
Muchisimas gracias





