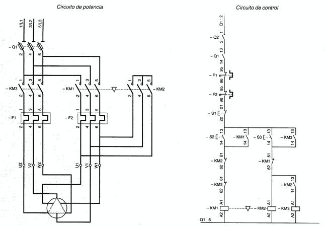
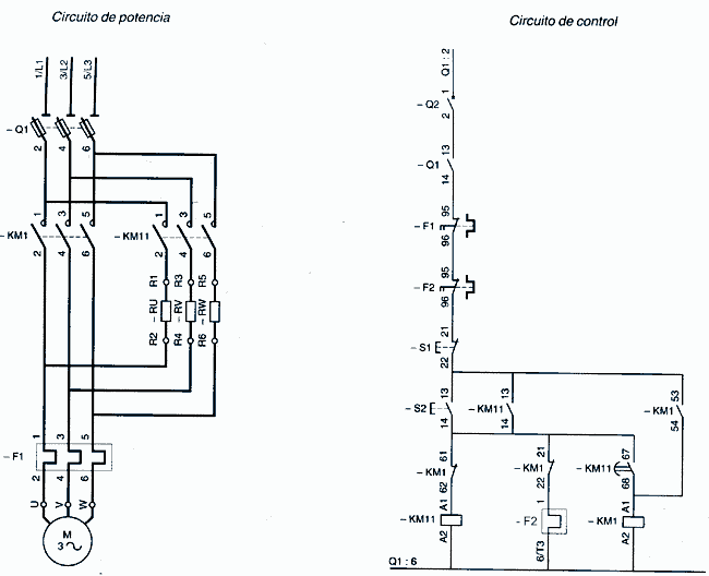
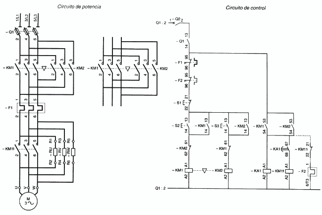
Hola a todos. Como el mismo nombre del mensaje indica, necesito algunos esquemas de mando y potencia para arranque de motores trifásicos. Cuantos más mejor. Es para hacer una presentación de PowerPoint, por lo que cuanta más información mucho mejor.
Muchas gracias de antemano.




