12 Jul 2013, 17:15
Buenas Rauliko
Primero gracias por tu respuesta,
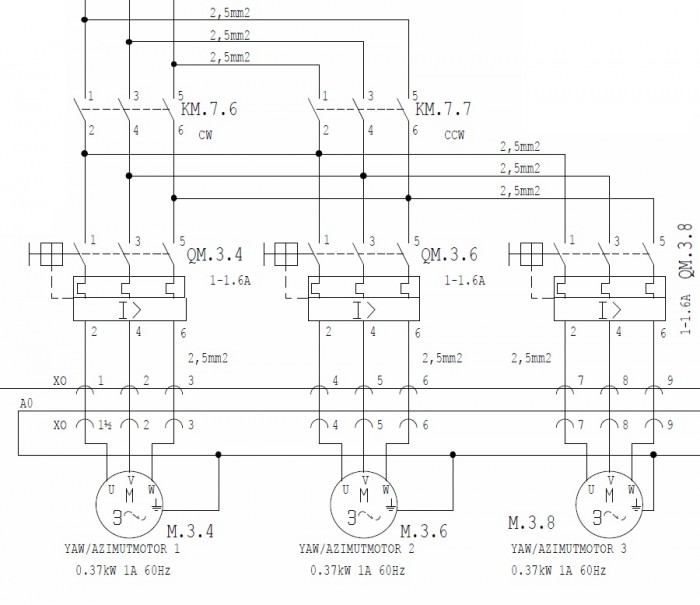
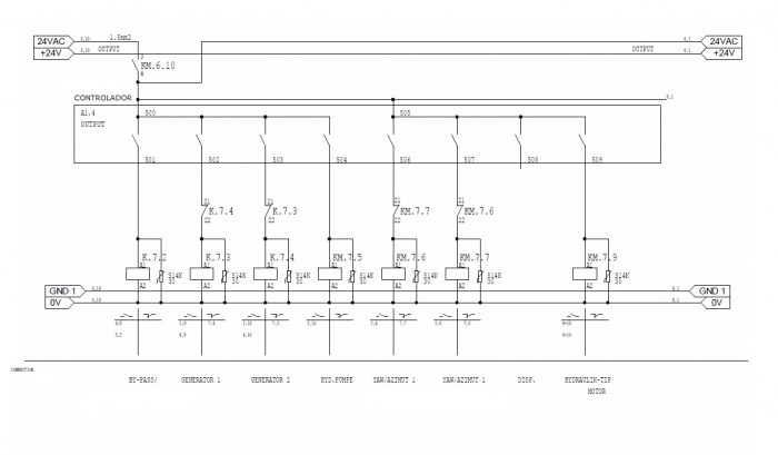
Disculpa mi simpleza de pensamiento, pero no te entiendo, yo supongo que la segunda cifra me hace alusión al estado del contactor en cuestión, ejemplo el KM 7.7, estaría normalmente abierto, mientras el 3.4 supongo que hace alusión al magneto térmico tripolar QM.3.4, (Adjunto planos más detallados, disculpas por no haberlos puesto antes.), lo que no me queda muy claro es la relación entre ambos.
En cuanto al tema de número o identificación, no puedo comprobarlo ya que no tengo un listado de partes solo los diagramas del sistema.
La verdad me hago un lío con estas referencias ya que veo una referencia cruzada entre KM.7.7, KM.7.6.
Este es un sistema de guiñada de una turbina eólica, así que según el plano adjunto yo entendería que cuando se energiza alguna de las bobinas esta activa el contactor y el motor hace su trabajo de guiñada en la corona de dirección, hay un tercer motor que me parece es conducido por el motor inicialmente en funcionamiento para la dirección del giro según lo demande el controlador, CC o CCW, pero como te digo me cuesta entender un poco la simbología y no sé si mi supuesto es correcto.
Agradezco de antemano cualquier colaboración.
Saludos,
-
Adjuntos
-

-
