Un saludo grande a todos los compañeros que os habeis interesado en el tema!!
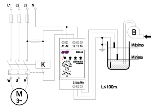
Entrando en materia, me gustaria explicar un problema que tengo para arrancar y parar una bomba trifasica de aguas fecales, el sistema de conexion y desconexion es mediante un contactor que se activa con una boya colocada a una altura superior y se desconecta con otra boya colocada a una altura inferior en el poso. Ahora bien, la bomba arranca sin problema cuando la boya superior entra en contacto, el agua baja, la boya superior cae y pierde el contacto, la bomba sigue funcionando y el agua baja hasta la altura de la boya inferior y cuando esta cae y pierde el contacto y la bomba se para. Es aqui donde se produce el problema que me quita el sueño!!
El agua que esta en el tubo vuelve hacia atras y la cantidad de agua es tal que vuelve a activar el contacto de la boya inferior y arranca la bomba y asi se puede estar en un bucle infinito de arrancar y parar que no me interesa por no decir que puede quemar la bomba.
La boya superior cumple su objetivo, arranca la bomba cuando entra en contacto y aunque baje el agua y pierda el contacto la bomba sigue funcionando, al llegar abajo la boya inferior tiene que desactivar al contactor, y asi lo hace pero no tendria que volver a funcionar hasta que lo mande la boya superior, pero hay algo que estoy haciendo mal por que el reflujo del agua vuelve a arrancar la bomba solo con el contacto de la boya inferior y esta solo tiene que servir para desconectarla.
Desde ya agradesco vuestra ayuda y el tiempo que me habeis podido dedicar,
sera un gusto dejarme ayudar por alguien que la tenga clara
hoy por mi, mañana por ti
Jorge.






