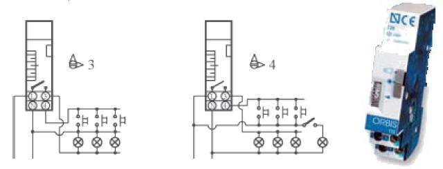
Hola a todos, tengo un problema y espero me ayuden a resolverlo, en la finca tenemos tensión de 110, conectando fase y neutro, para tener 220 pinchamos dos fases, instale un temporizador, que al darle corriente se enciende y no se apaga, la instalación esta hecha de acuerdo al diagrama Nº 3 es un temporizador T20, pensé que el temporizador estaba defectuoso, lo probé en casa de un amigo que tiene la potencia en fase y neutro 220, funciona correctamente, no se como hacer, espero me ayuden gracias por anticipado






